科普——“电催化CP”的优势大起底
当今,在电化学催化领域,RRDE与双恒电位仪的联用已经成为研究ORR电催化的最重要的工具。美国pine公司“电催化CP”,是由美国PINE世预赛足球免费直播在线直播(MSR)搭配WaveDriver200双恒电位仪联用组成的“电催化CP”,是ORR(电催化氧还原)、HER、OER实验的必备仪器。
在质子交换膜燃料电池(PEMFC)中,阴极的ORR通常都是通过电催化来实现的。当ORR反应通过贵金属或非贵金属催化剂进行电催化时,都会产生副产物或中间产物,如过氧化氢。为了检测过氧化物的产生量,可以通过RRDE收集实验来探测电催化剂产生过氧化物的趋势。在双恒电位仪上测量圆盘电极极化曲线的同时,将环电压设置为恒电位,控制圆环电极在固定的极化电势,用以检测圆盘电极上产生的反应中间物产率。

氧还原反应(ORR)的电子转移数n和相应的双氧水(中间产物)产率%可分别通过公式测得:


典型的采用RRDE获得的电流-电位图
由于需要获得盘电流和环电流数据,双恒电位仪应运而生。它是一种可以分别独立控制两个在同一测试溶液中的工作电极(盘电极和环电极)上的电极电势的装置。其结构如下:

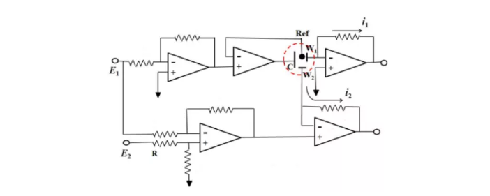
从结构上说,双恒电位仪并不是两个恒电位仪的简单叠加,下图便是一个典型的具有多个运算放大器的双恒电位仪的电路图。E1为施加到工作电极1(W1)上的电位,E2可以独立的选择电位。因此,工作电极2(W2)可以被独立的控制,通过这种方式,在RRDE应用中,我们就可以相对于同一参比电极对盘电极和环电极的电极电位分别进行控制。

除了与RRDE组成电催化CP,双恒电位仪还可应用于:
(1) 电合成、电沉积(电镀)、阳极氧化、电解等反应机理研究;
(2) 电化学分析研究,包括:氧还原研究(ORR)、氧析出研究(OER)、氢析出(HER)、二氧化碳还原等;
(3) 能源材料(锂离子电池、太阳能电池、燃料动力电池和超级电容器等)、先进功能材料以及传感器的性能研究;
(4) 金属材料的腐蚀行为研究与耐蚀性评价;
(5) 缓蚀剂、水质稳定剂、涂层以及阴极保护效率的快速评价;
(6) 液相色谱中的双工作电极电化学检测器(twin LCEC);
(7) 液-液相界面伏安法。
因此,电催化CP已成为检测电催化反应中间产物和研究电极反应机理的重要流体动力学设备。美国PINE世预赛足球免费直播在线直播(MSR)搭配WaveDriver200双恒电位仪联用组成的“电催化CP”,是ORR(电催化氧还原)、HER、OER实验的必备仪器。而且美国PINE公司既然有其经典的旋转圆盘圆环电极产品,其自身的美国PINE双恒电位仪在功能和软件上,特别定制,特别便利实现ORR、HER、OER,是电催化的天作之合。故称为“电催化CP”,其九大功能,且听一一道来!

▲ 某实验室RRDE+电化学工作站联用于电催化实验
2026世界杯非洲预选赛直播间(PHYCHEMI公司)是美国PINE电化学系列产品在大中华地区的总代理,欢迎咨询!
